IDT晶振,XUH晶振,有源晶振
频率:0.016~167MHz
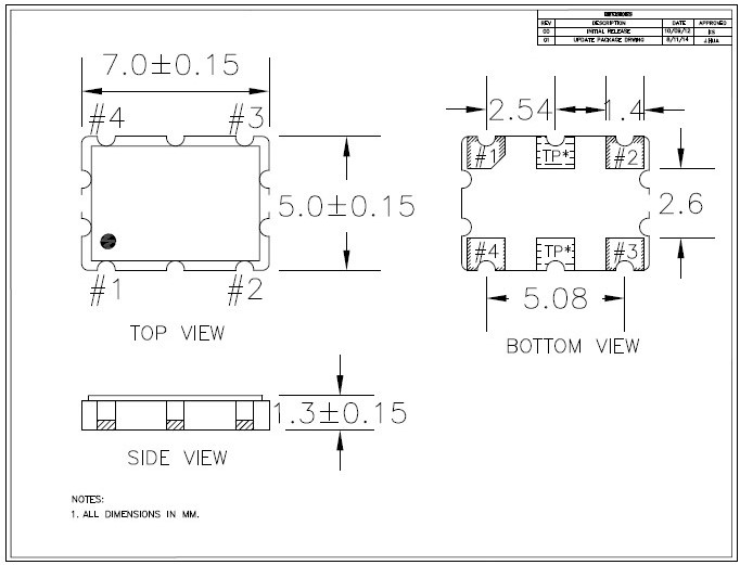
尺寸:7.0x5.0mm
	 
 
IDT 晶振集团是电子元件行业协会 (ECIA) 的正式成员,电子元件行业协会是电子元器件制造商及其供应商授权分销合作伙伴和独立现场销售代表组成的非营利性行业协会.此协会的宗旨是促进和改善电子元器件授权销售的商业环境.
IDT晶振集团开发了能够与处理器,存储器等数字系统,其他半导体以及物理世界连接的半导体解决方案.IDT认为作为一名行业领导者努力解决我们环境所面临的挑战以及社会需求是我们义不容辞的责任.IDT晶振作为较为出色的国际企业,致力于研发生产销售晶振,石英晶振,有源晶振,压控振荡器,温补晶振,石英晶体振荡器等水晶元件.不断提高生产技术以及开发更多高精密石英晶体元器件.IDT 的集成电路被全球的通信、计算和消费产业广泛采用,在全球各地设有研发生产以及运营销售基地.
	 
 
IDT晶振,XUH晶振,有源晶振,SMD有源晶振,从最初超大体积到现在的7050mm,6035mm,5032mm,3225mm,2520mm体积,有着翻天覆地的改变,体积的变小也试产品带来了更高的稳定性能,接缝密封石英晶体振荡器,精度高,覆盖频率范围宽的特点,SMD高速自动安装和高温回流焊设计,Optionable待机输出三态输出功能,电源电压范围:1.8V?5 V,高稳定性,低抖动,低功耗,主要应用领域:无线通讯,高端智能手机,平板笔记本WLAN,蓝牙,数码相机,DSL和其他IT产品的晶振应用,三态功能,PC和LCDM等高端数码领域,符合RoHS/无铅.
贴片晶振晶片边缘处理技术:贴片晶振是晶片通过滚筒倒边,主要是为了去除石英晶振晶片的边缘效应,在实际操作中机器运动方式设计、滚筒的曲率半径、滚筒的长短、使用的研磨砂的型号、多少、填充物种类及多少等各项设计必须合理,有一项不完善都会使晶振晶片的边缘效应不能去除,而石英晶振晶片的谐振电阻过大,用在电路中Q值过小,从而电路不能振动或振动了不稳定.
	 
 
| IDT晶振型号 | 符号 | XUH晶振(5070) | 
| 输出规格 | - | HCMOS | 
| 输出频率范围 | fo | 0.016~167MHz | 
| 电源电压 | VCC | +2.5V±0.125V/+3.3V±0.165V | 
| 
						频率公差 | f_tol | ±50×10-6 max., ±100×10-6 max. | 
| 保存温度范围 | T_stg | -40~+85℃ | 
| 运行温度范围 | T_use | -10~+70℃ ,-40~+85℃ | 
| 消耗电流 | ICC | 30mA max. (fo≦170MHz), | 
| 待机时电流(#1引脚"L") | I_std | 10μA max. | 
| 输出负载 | Load-R | 50Ω | 
| 波形对称 | SYM | 45?55% [at outputs cross point] | 
| 0电平电压 | VOL | -0.15~0.15V | 
| 1电平电压 | VOH | 0.58~0.85V | 
| 上升时间 下降时间 | tr, tf | 0.5ns max. [0.175?0.525V Level] | 
| 差分输出电压 | ⊿VOD1, VOD2 | -更多详细产品资料请联系亿金电子http://www.vc-tcxo.com | 
| 差分输出误差 | ⊿VOD | - | 
| 补偿电压 | VOS | - | 
| 补偿电压误差 | ⊿VOS | - | 
| 交叉点电压 | Vcr | 250~550mV | 
| OE端子0电平输入电压 | VIL | VCC×0.3 max. | 
| OE端子1电平输入电压 | VIH | VCC×0.7 min. | 
| 输出禁用时间 | tPLZ | 200ns | 
| 输出使能时间 | tPZL | 2ms | 
| 周期抖动(1) | tRMS | 5ps typ. (13.5MHz≦fo<27MHz) / 2.5ps typ. (27MHz≦fo<212.5MHz) (σ) | 
| tp-p | 33ps typ. (13.5MHz≦fo<27MHz) / 22ps typ. (27MHz≦fo<212.5MHz) (Peak to peak) | |
| 总抖动(1) | tTL | 50ps typ. (13.5MHz≦fo<27MHz) / 35ps typ. (27MHz≦fo<212.5MHz) [tDJ + n×tRJ n=14.1(BER=1×10-12) (2)] | 
| 相位抖动 | tpj | 
						1.5ps   max. (13.5MHz≦fo<27MHz) / 1ps max. (27MHz≦fo<212.5MHz)  | 
	 
 
	 在使用IDT晶振时应该注意以下事项:
在使用IDT晶振时应该注意以下事项: 
1:抗冲击
抗冲击是指晶振产品可能会在某些条件下受到损坏.例如从桌上跌落,摔打,高空抛压或在贴装过程中受到冲击.如果产品已受过冲击请勿使用.因为无论何种石英晶振,其内部晶片都是石英晶振制作而成的,高空跌落摔打都会给晶振照成不良影响.
2:辐射
将贴片晶振暴露于辐射环境会导致产品性能受到损害,因此应避免阳光长时间的照射.IDT晶振,XUH晶振,有源晶振
3:化学制剂 / pH值环境
请勿在PH值范围可能导致腐蚀或溶解石英晶振或包装材料的环境下使用或储藏这些产品.
4:粘合剂
请勿使用可能导致石英晶振所用的封装材料,终端,组件,玻璃材料以及气相沉积材料等受到腐蚀的胶粘剂.(比如,氯基胶粘剂可能腐蚀一个晶振的金属“盖”,从而破坏密封质量,降低性能.)
5:卤化合物
请勿在卤素气体环境下使用晶振.即使少量的卤素气体,比如在空气中的氯气内或封装所用金属部件内,都可能产生腐蚀.同时,请勿使用任何会释放出卤素气体的树脂.
6:静电
过高的静电可能会损坏贴片晶振,请注意抗静电条件.请为容器和封装材料选择导电材料.在处理的时候,请使用电焊枪和无高电压泄漏的测量电路,并进行接地操作.
	 
 
	 
 
深圳市亿金电子有限公司 SHENZHEN YIJIN ELECTRONICS CO;LTD
		 联系人黄娜:18924600166
联系人黄娜:18924600166
	
		 工作QQ:857950243
工作QQ:857950243
	
		 贸易通:yijindz2014
贸易通:yijindz2014
	
		 座机:0755-27876565
座机:0755-27876565
	
		 邮箱:yijindz@163.com
邮箱:yijindz@163.com
	
		 微信:yijindz,公众号:NDKcrystal
微信:yijindz,公众号:NDKcrystal
	
		 地址:广东省深圳市宝安区107国道旁甲岸路
地址:广东省深圳市宝安区107国道旁甲岸路
	
		 
 
	
跟此产品相关的产品 / Related Products
 
- QL4444LEV-100.0M,LVDS输出晶振,3225振荡器,QL44L差分晶振,Pletronics贴片晶振
- QL4444LEV-100.0M,LVDS输出晶振,3225振荡器,QL44L差分晶振,Pletronics贴片晶振 QL4444LEV-100.0M 是 Pletronics 的 3225 贴片式 LVDS 输出差分晶振。它可输出精准的 100.0MHz 频率,为电子设备提供稳定的时钟基准。LVDS 输出方式使其具备出色的抗干扰能力,能有效抑制共模干扰,保证信号稳定传输。贴片封装便于安装和集成。广泛应用于高速数据接口、网络通信等领域,有助于提升设备的数据传输速度和稳定性,是高速数据传输系统的理想选择。
 
- GVXO-53F晶振,VCXO振荡器,高利奇进口晶振,GVXO-53F/NC 27.000MHZ,7050石英贴片
- GVXO-53F晶振,VCXO振荡器,高利奇进口晶振,GVXO-53F/NC 27.000MHZ,7050石英贴片 作为高利奇的进口晶振,GVXO - 53F在品质和可靠性方面有着严格的保障。高利奇作为知名的晶振制造商,拥有先进的生产工艺和严格的质量检测体系。该晶振经过了一系列严格的测试和验证,能够在不同的工作环境和条件下保持稳定的性能。无论是面对高温、低温、潮湿等恶劣的气候条件,还是在复杂的电磁干扰环境中,它都能持续稳定地工作,为电子设备的长期可靠运行提供了坚实的保障。
 
- 香港NKG晶振|SEO7|SEO79B-38.400-MTC1.0|低EMI晶振
- 香港NKG晶振|SEO7|SEO79B-38.400-MTC1.0|低EMI晶振,香港NKG晶振,SEO7进口贴片晶振,有源晶振,SEO79B-38.400-MTC1.0晶振,晶体振荡器,2520石英晶振,四脚封装晶振,频率38.4MHz,电压2.5V,负载15pF,频率稳定性50ppm,工作温度范围-10~70°C,耐老化晶振,轻薄小晶振,低EMI晶振,家庭自动化晶振,无线路由器晶振,音频系统晶振,CD录音机晶振. 
晶振系列
日本进口晶振
- 京瓷晶振
- 精工晶振
- 西铁城晶振
- 村田晶振
- 大河晶振
- KDS Quartz crystal
- NDK Quartz crystal
- EPSON Quartz crystal
- 富士晶振
- NAKA晶振
- SMI晶振
- NJR晶振
台产晶振
欧美晶振
- CTS晶振
- 微晶晶振
- 瑞康晶振
- 康纳温菲尔德晶振
- 高利奇晶振
- Jauch晶振
- AbraconCrystal晶振
- 维管晶振
- ECScrystal晶振
- 日蚀晶振
- 拉隆晶振
- 格林雷晶振
- SiTimeCrystal晶振
- IDTcrystal晶振
- PletronicsCrystal晶振
- StatekCrystal晶振
- AEK晶振
- AEL晶振
- Cardinal晶振
- Crystek晶振
- Euroquartz晶振
- 福克斯晶振
- Frequency晶振
- GEYER晶振
- ILSI晶振
- KVG晶振
- MMDCOMP晶振
- MtronPTI晶振
- QANTEK晶振
- QuartzCom晶振
- QuartzChnik晶振
- SUNTSU晶振
- Transko晶振
- WI2WI晶振
- 韩国三呢晶振
- ITTI晶振
- ACT晶振
- Milliren晶振
- Lihom晶振
- rubyquartz晶振
- Oscilent晶振
- SHINSUNG晶振
- PDI晶振
- C-TECH晶振
- IQD晶振
- Microchip晶振
- Silicon晶振
- Fortiming晶振
- CORE晶振
- NIPPON晶振
- NIC晶振
- QVS晶振
- Bomar晶振
- Bliley晶振
- GED晶振
- FILTRONETICS晶振
- STD晶振
- Q-Tech晶振
- Anderson晶振
- Wenzel晶振
- NEL晶振
- EM晶振
- PETERMANN晶振
- FCD-Tech晶振
- HEC晶振
- FMI晶振
- Macrobizes晶振
- AXTAL晶振
- 瑞萨renesas晶振
- Skyworks晶振
有源晶振
雾化片
贴片晶振
32.768K
- 32.768K有源晶振
- 8.0x3.8晶振
- 7.1x3.3晶振
- 7.0x1.5晶振
- 5.0x1.8晶振
- 4.1x1.5晶振
- 3.2x1.5晶振
- 2.0x1.2晶振
- 1.6x1.0晶振
- 1.2x1.0晶振
- 圆柱晶振
声表面滤波器
石英晶振
KDS晶振
爱普生晶振
- EPSON 32.768K晶振
- EPSON无源晶振
- EPSON普通有源晶振
- EPSON压控晶振
- EPSON温补晶振
- EPSON压控温补晶振
- EPSON恒温晶振
- EPSON差分晶振
- EPSON可编程晶振

 全球咨询热线
全球咨询热线 手机端
手机端 
				




 网址:
 网址:

 亿金公众号
亿金公众号 亿金微信号
亿金微信号


