Q-25.0-JXS21-20-10/15-T1-FU-WA-LF,2016小尺寸贴片晶振,JXS21谐振器
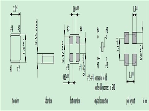
Q-25.0-JXS21-20-10/15-T1-FU-WA-LF是一款主打小型化与高频稳定性的JXS21系列谐振器,核心频率精准锁定为25.0MHz,采用行业主流的2016贴片封装(尺寸仅2.0mm×1.6mm),能轻松适配高密度PCB板布局,满足消费电子,物联网应用设备对空间极致压缩的需求.作为高规格贴片晶振,其频率公差控制严格,典型值可达±10ppm,同时具备低等效串联电阻(ESR≤50Ω)特性,有效减少信号传输损耗,为WiFi模块,蓝牙芯片等高频信号单元提供稳定谐振基础,保障数据传输时序精准.
Q-25.0-JXS21-20-10/15-T1-FU-WA-LF,2016小尺寸贴片晶振,JXS21谐振器
|
原厂型号Originalmodel: |
Q-25.0-JXS21-20-10/15-T1-FU-WA-LF |
品牌brand: |
Jauch |
|
型号名称Modelname: |
JXS21 |
Size/Dimension尺寸 |
|
|
Type系列: |
MHZ Crystal |
高度PackageHeight: |
0.55mm |
|
频率frequency: |
|
温度OperatingTemperature |
-40+85℃ |
|
Frequency Stability频率稳定度 |
- |
脚位Termination: |
4-Pad |
|
frequencytolerance频率容差 |
10PP |
封装类型PackageType: |
4-SMD |
|
Loadcapacitance负载电容 |
12PF |
最小包装数MPQ: |
|
Q-25.0-JXS21-20-10/15-T1-FU-WA-LF,2016小尺寸贴片晶振,JXS21谐振器
Q-25.0-JXS21-20-10/15-T1-FU-WA-LF,2016小尺寸贴片晶振,JXS21谐振器
|
ABDFTCXO-10.000MHZ-E-2-CT |
Abracon |
ABDFTCXO |
TCXO |
14.2mm |
9.15mm |
3.1mm |
|
ABDFTCXO-10.000MHZ-E-2-T2 |
Abracon |
ABDFTCXO |
TCXO |
14.2mm |
9.15mm |
3.1mm |
|
ABDFTCXO-10.000MHZ-E-2-T5 |
Abracon |
ABDFTCXO |
TCXO |
14.2mm |
9.15mm |
3.1mm |
|
ABDFTCXO-10.000MHZ-L-2-CT |
Abracon |
ABDFTCXO |
TCXO |
14.2mm |
9.15mm |
3.1mm |
|
ABDFTCXO-10.000MHZ-L-2-T2 |
Abracon |
ABDFTCXO |
TCXO |
14.2mm |
9.15mm |
3.1mm |
|
ABDFTCXO-10.000MHZ-L-2-T5 |
Abracon |
ABDFTCXO |
TCXO |
14.2mm |
9.15mm |
3.1mm |
|
ABDFTCXO-12.800MHZ-E-2-CT |
Abracon |
ABDFTCXO |
TCXO |
14.2mm |
9.15mm |
3.1mm |
|
ABDFTCXO-12.800MHZ-E-2-T2 |
Abracon |
ABDFTCXO |
TCXO |
14.2mm |
9.15mm |
3.1mm |
|
ABDFTCXO-12.800MHZ-E-2-T5 |
Abracon |
ABDFTCXO |
TCXO |
14.2mm |
9.15mm |
3.1mm |
|
ABDFTCXO-12.800MHZ-L-2-CT |
Abracon |
ABDFTCXO |
TCXO |
14.2mm |
9.15mm |
3.1mm |
|
ABDFTCXO-12.800MHZ-L-2-T2 |
Abracon |
ABDFTCXO |
TCXO |
14.2mm |
9.15mm |
3.1mm |
|
ABDFTCXO-12.800MHZ-L-2-T5 |
Abracon |
ABDFTCXO |
TCXO |
14.2mm |
9.15mm |
3.1mm |
|
ABDFTCXO-16.000MHZ-E-2-CT |
Abracon |
ABDFTCXO |
TCXO |
14.2mm |
9.15mm |
3.1mm |
|
ABDFTCXO-16.000MHZ-E-2-T2 |
Abracon |
ABDFTCXO |
TCXO |
14.2mm |
9.15mm |
3.1mm |
|
ABDFTCXO-16.000MHZ-E-2-T5 |
Abracon |
ABDFTCXO |
TCXO |
14.2mm |
9.15mm |
3.1mm |
|
ABDFTCXO-16.000MHZ-L-2-CT |
Abracon |
ABDFTCXO |
TCXO |
14.2mm |
9.15mm |
3.1mm |
|
ABDFTCXO-16.000MHZ-L-2-T2 |
Abracon |
ABDFTCXO |
TCXO |
14.2mm |
9.15mm |
3.1mm |
|
ABDFTCXO-16.000MHZ-L-2-T5 |
Abracon |
ABDFTCXO |
TCXO |
14.2mm |
9.15mm |
3.1mm |
|
ABDFTCXO-16.384MHZ-E-2-CT |
Abracon |
ABDFTCXO |
TCXO |
14.2mm |
9.15mm |
3.1mm |
|
ABDFTCXO-16.384MHZ-E-2-T2 |
Abracon |
ABDFTCXO |
TCXO |
14.2mm |
9.15mm |
3.1mm |
|
ABDFTCXO-16.384MHZ-E-2-T5 |
Abracon |
ABDFTCXO |
TCXO |
14.2mm |
9.15mm |
3.1mm |
|
ABDFTCXO-16.384MHZ-L-2-CT |
Abracon |
ABDFTCXO |
TCXO |
14.2mm |
9.15mm |
3.1mm |
|
ABDFTCXO-16.384MHZ-L-2-T2 |
Abracon |
ABDFTCXO |
TCXO |
14.2mm |
9.15mm |
3.1mm |
|
ABDFTCXO-16.384MHZ-L-2-T5 |
Abracon |
ABDFTCXO |
TCXO |
14.2mm |
9.15mm |
3.1mm |
|
ABDFTCXO-19.200MHZ-E-2-CT |
Abracon |
ABDFTCXO |
TCXO |
14.2mm |
9.15mm |
3.1mm |
|
ABDFTCXO-19.200MHZ-E-2-T2 |
Abracon |
ABDFTCXO |
TCXO |
14.2mm |
9.15mm |
3.1mm |
|
ABDFTCXO-19.200MHZ-E-2-T5 |
Abracon |
ABDFTCXO |
TCXO |
14.2mm |
9.15mm |
3.1mm |
|
ABDFTCXO-19.200MHZ-L-2-CT |
Abracon |
ABDFTCXO |
TCXO |
14.2mm |
9.15mm |
3.1mm |
|
ABDFTCXO-19.200MHZ-L-2-T2 |
Abracon |
ABDFTCXO |
TCXO |
14.2mm |
9.15mm |
3.1mm |
|
ABDFTCXO-19.200MHZ-L-2-T5 |
Abracon |
ABDFTCXO |
TCXO |
14.2mm |
9.15mm |
3.1mm |
|
ABDFTCXO-19.440MHZ-E-2-CT |
Abracon |
ABDFTCXO |
TCXO |
14.2mm |
9.15mm |
3.1mm |
|
ABDFTCXO-19.440MHZ-E-2-T2 |
Abracon |
ABDFTCXO |
TCXO |
14.2mm |
9.15mm |
3.1mm |
|
ABDFTCXO-19.440MHZ-E-2-T5 |
Abracon |
ABDFTCXO |
TCXO |
14.2mm |
9.15mm |
3.1mm |
|
ABDFTCXO-19.440MHZ-L-2-CT |
Abracon |
ABDFTCXO |
TCXO |
14.2mm |
9.15mm |
3.1mm |
|
ABDFTCXO-19.440MHZ-L-2-T2 |
Abracon |
ABDFTCXO |
TCXO |
14.2mm |
9.15mm |
3.1mm |
|
ABDFTCXO-19.440MHZ-L-2-T5 |
Abracon |
ABDFTCXO |
TCXO |
14.2mm |
9.15mm |
3.1mm |
|
ABDFTCXO-20.000MHZ-E-2-CT |
Abracon |
ABDFTCXO |
TCXO |
14.2mm |
9.15mm |
3.1mm |
|
ABDFTCXO-20.000MHZ-E-2-T2 |
Abracon |
ABDFTCXO |
TCXO |
14.2mm |
9.15mm |
3.1mm |
|
ABDFTCXO-20.000MHZ-E-2-T5 |
Abracon |
ABDFTCXO |
TCXO |
14.2mm |
9.15mm |
3.1mm |
|
ABDFTCXO-20.000MHZ-L-2-CT |
Abracon |
ABDFTCXO |
TCXO |
14.2mm |
9.15mm |
3.1mm |
|
ABDFTCXO-20.000MHZ-L-2-T2 |
Abracon |
ABDFTCXO |
TCXO |
14.2mm |
9.15mm |
3.1mm |
|
ABDFTCXO-20.000MHZ-L-2-T5 |
Abracon |
ABDFTCXO |
TCXO |
14.2mm |
9.15mm |
3.1mm |
|
ABDFTCXO-24.576MHZ-E-2-CT |
Abracon |
ABDFTCXO |
TCXO |
14.2mm |
9.15mm |
3.1mm |
|
ABDFTCXO-24.576MHZ-E-2-T2 |
Abracon |
ABDFTCXO |
TCXO |
14.2mm |
9.15mm |
3.1mm |
|
ABDFTCXO-24.576MHZ-E-2-T5 |
Abracon |
ABDFTCXO |
TCXO |
14.2mm |
9.15mm |
3.1mm |
|
ABDFTCXO-24.576MHZ-L-2-CT |
Abracon |
ABDFTCXO |
TCXO |
14.2mm |
9.15mm |
3.1mm |
|
ABDFTCXO-24.576MHZ-L-2-T2 |
Abracon |
ABDFTCXO |
TCXO |
14.2mm |
9.15mm |
3.1mm |
|
ABDFTCXO-24.576MHZ-L-2-T5 |
Abracon |
ABDFTCXO |
TCXO |
14.2mm |
9.15mm |
3.1mm |
|
ABDFTCXO-25.000MHZ-E-2-CT |
Abracon |
ABDFTCXO |
TCXO |
14.2mm |
9.15mm |
3.1mm |
|
ABDFTCXO-25.000MHZ-E-2-T2 |
Abracon |
ABDFTCXO |
TCXO |
14.2mm |
9.15mm |
3.1mm |
|
ABDFTCXO-25.000MHZ-E-2-T5 |
Abracon |
ABDFTCXO |
TCXO |
14.2mm |
9.15mm |
3.1mm |
|
ABDFTCXO-25.000MHZ-L-2-CT |
Abracon |
ABDFTCXO |
TCXO |
14.2mm |
9.15mm |
3.1mm |
|
ABDFTCXO-25.000MHZ-L-2-T2 |
Abracon |
ABDFTCXO |
TCXO |
14.2mm |
9.15mm |
3.1mm |
|
ABDFTCXO-25.000MHZ-L-2-T5 |
Abracon |
ABDFTCXO |
TCXO |
14.2mm |
9.15mm |
3.1mm |
|
ABDFTCXO-26.000MHZ-E-2-CT |
Abracon |
ABDFTCXO |
TCXO |
14.2mm |
9.15mm |
3.1mm |
|
ABDFTCXO-26.000MHZ-E-2-T2 |
Abracon |
ABDFTCXO |
TCXO |
14.2mm |
9.15mm |
3.1mm |
|
ABDFTCXO-26.000MHZ-E-2-T5 |
Abracon |
ABDFTCXO |
TCXO |
14.2mm |
9.15mm |
3.1mm |
|
ABDFTCXO-26.000MHZ-L-2-CT |
Abracon |
ABDFTCXO |
TCXO |
14.2mm |
9.15mm |
3.1mm |
|
ABDFTCXO-26.000MHZ-L-2-T2 |
Abracon |
ABDFTCXO |
TCXO |
14.2mm |
9.15mm |
3.1mm |
|
ABDFTCXO-26.000MHZ-L-2-T5 |
Abracon |
ABDFTCXO |
TCXO |
14.2mm |
9.15mm |
3.1mm |





511BBA106M250AAGR,LVDS差分输出晶振,路由器应用晶振
LFSPXO055678REEL,IQD进口晶振,CFPS-39有源晶振
LFSPXO076024REEL,工业设备晶振,IQD石英晶体振荡器
ABLS-10.240MHz-30-D(B)4(3)Q(H,Y),ABRACON进口晶振,30PF晶振
531BB212M500DG,Skyworks思佳讯晶振,7050差分晶振
12.94295,KXO-97T晶振,Geyer晶振
12.85053,KX-13T贴片晶振,7050mm格耶晶振
Q-0.032768-JTX310-12.5-10-T1-HMR-60-K-LF,JTX310型号晶振,Jauch欧美晶振
ABS07-32.768KHZ-1-T,艾博康电子晶振,ABS07晶振
Q22FA12800569,FA-128小型化晶振,EPSON高稳定性晶振