NKG晶振|S2SM晶振|S2SM32.000F20M23-EXT|2016mm晶振,NKG晶振,S2SM无源晶振,贴片晶振,S2SM32.000F20M23-EXT晶振,2.0x1.6石英晶体,晶体谐振器,四脚封装晶振,频率32MHz,负载20pF,频率容差20ppm,工作温度范围-40~85°C,耐高温晶振,小体积晶振,高稳定性晶振,移动通信晶振,蓝牙模块晶振,USB存储设备晶振,数码产品晶振.
NKG晶振|S2SM晶振|S2SM32.000F20M23-EXT|2016mm晶振特点:
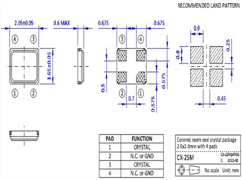
●微型包装尺寸2.0 x 1.6 x 0.5mm, 4个衬垫。
●优异的耐热性和抗震性。
●真空密封,可靠性高,老化率低。
●符合AEC-Q200标准的汽车级产品可供选择


