1XTV25000MBB,DSA321SDN大真空晶振,VC-TCXO晶振
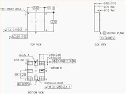
1XTV25000MBB(DSA321SDN)是日本大真空晶振(KDS)专为高精度时序调节场景打造的VC-TCXO压控温补晶振,以压控可调与温补双重优势成为核心时序解决方案.采用高纯度石英晶体与先进压控温补技术,25MHz高频主频输出稳定,频率精度控制在±2ppm(常温),-40℃~+85℃宽温范围内通过智能温补算法抵消温度漂移,同时支持±5ppm范围内的电压精准调节,满足动态时序校准需求.低相位噪声,低等效串联电阻(ESR)设计,为通信基站,卫星导航设备,工业控制模块等提供高精度可调时钟基准,确保信号传输与数据处理的精准同步.
1XTV25000MBB,DSA321SDN大真空晶振,VC-TCXO晶振
|
原厂型号Originalmodel: |
1XTV25000MBB |
品牌brand: |
KDS |
|
Manufacturer品牌 |
KDS |
OperatingTemperature温度 |
-40~+85°C |
|
Series型号 |
DSA321SDN |
Current-Supply(Max) |
- |
|
Type类型 |
VC-TCXO |
PackageHeight高度 |
0.9mm |
|
Frequency频率 |
25M |
Termination脚位 |
|
|
输出方式Output: |
削波正弦波 |
PackageType封装类型 |
4-Smd |
|
Voltage-Supply电压 |
|
Packaging包装 |
TapeandReel |
|
FrequencyStability频率稳定度 |
1PP |
安装方式Installation: |
Surfacemount |
|
Size/Dimension尺寸 |
最小包装数MPQ: |
3000 |
1XTV25000MBB,DSA321SDN大真空晶振,VC-TCXO晶振
1XTV25000MBB,DSA321SDN大真空晶振,VC-TCXO晶振
|
ABDFTCXO-10.000MHZ-E-2-CT |
Abracon |
ABDFTCXO |
TCXO |
14.2mm |
9.15mm |
3.1mm |
|
ABDFTCXO-10.000MHZ-E-2-T2 |
Abracon |
ABDFTCXO |
TCXO |
14.2mm |
9.15mm |
3.1mm |
|
ABDFTCXO-10.000MHZ-E-2-T5 |
Abracon |
ABDFTCXO |
TCXO |
14.2mm |
9.15mm |
3.1mm |
|
ABDFTCXO-10.000MHZ-L-2-CT |
Abracon |
ABDFTCXO |
TCXO |
14.2mm |
9.15mm |
3.1mm |
|
ABDFTCXO-10.000MHZ-L-2-T2 |
Abracon |
ABDFTCXO |
TCXO |
14.2mm |
9.15mm |
3.1mm |
|
ABDFTCXO-10.000MHZ-L-2-T5 |
Abracon |
ABDFTCXO |
TCXO |
14.2mm |
9.15mm |
3.1mm |
|
ABDFTCXO-12.800MHZ-E-2-CT |
Abracon |
ABDFTCXO |
TCXO |
14.2mm |
9.15mm |
3.1mm |
|
ABDFTCXO-12.800MHZ-E-2-T2 |
Abracon |
ABDFTCXO |
TCXO |
14.2mm |
9.15mm |
3.1mm |
|
ABDFTCXO-12.800MHZ-E-2-T5 |
Abracon |
ABDFTCXO |
TCXO |
14.2mm |
9.15mm |
3.1mm |
|
ABDFTCXO-12.800MHZ-L-2-CT |
Abracon |
ABDFTCXO |
TCXO |
14.2mm |
9.15mm |
3.1mm |
|
ABDFTCXO-12.800MHZ-L-2-T2 |
Abracon |
ABDFTCXO |
TCXO |
14.2mm |
9.15mm |
3.1mm |
|
ABDFTCXO-12.800MHZ-L-2-T5 |
Abracon |
ABDFTCXO |
TCXO |
14.2mm |
9.15mm |
3.1mm |
|
ABDFTCXO-16.000MHZ-E-2-CT |
Abracon |
ABDFTCXO |
TCXO |
14.2mm |
9.15mm |
3.1mm |
|
ABDFTCXO-16.000MHZ-E-2-T2 |
Abracon |
ABDFTCXO |
TCXO |
14.2mm |
9.15mm |
3.1mm |
|
ABDFTCXO-16.000MHZ-E-2-T5 |
Abracon |
ABDFTCXO |
TCXO |
14.2mm |
9.15mm |
3.1mm |
|
ABDFTCXO-16.000MHZ-L-2-CT |
Abracon |
ABDFTCXO |
TCXO |
14.2mm |
9.15mm |
3.1mm |
|
ABDFTCXO-16.000MHZ-L-2-T2 |
Abracon |
ABDFTCXO |
TCXO |
14.2mm |
9.15mm |
3.1mm |
|
ABDFTCXO-16.000MHZ-L-2-T5 |
Abracon |
ABDFTCXO |
TCXO |
14.2mm |
9.15mm |
3.1mm |
|
ABDFTCXO-16.384MHZ-E-2-CT |
Abracon |
ABDFTCXO |
TCXO |
14.2mm |
9.15mm |
3.1mm |
|
ABDFTCXO-16.384MHZ-E-2-T2 |
Abracon |
ABDFTCXO |
TCXO |
14.2mm |
9.15mm |
3.1mm |
|
ABDFTCXO-16.384MHZ-E-2-T5 |
Abracon |
ABDFTCXO |
TCXO |
14.2mm |
9.15mm |
3.1mm |
|
ABDFTCXO-16.384MHZ-L-2-CT |
Abracon |
ABDFTCXO |
TCXO |
14.2mm |
9.15mm |
3.1mm |
|
ABDFTCXO-16.384MHZ-L-2-T2 |
Abracon |
ABDFTCXO |
TCXO |
14.2mm |
9.15mm |
3.1mm |
|
ABDFTCXO-16.384MHZ-L-2-T5 |
Abracon |
ABDFTCXO |
TCXO |
14.2mm |
9.15mm |
3.1mm |
|
ABDFTCXO-19.200MHZ-E-2-CT |
Abracon |
ABDFTCXO |
TCXO |
14.2mm |
9.15mm |
3.1mm |
|
ABDFTCXO-19.200MHZ-E-2-T2 |
Abracon |
ABDFTCXO |
TCXO |
14.2mm |
9.15mm |
3.1mm |
|
ABDFTCXO-19.200MHZ-E-2-T5 |
Abracon |
ABDFTCXO |
TCXO |
14.2mm |
9.15mm |
3.1mm |
|
ABDFTCXO-19.200MHZ-L-2-CT |
Abracon |
ABDFTCXO |
TCXO |
14.2mm |
9.15mm |
3.1mm |
|
ABDFTCXO-19.200MHZ-L-2-T2 |
Abracon |
ABDFTCXO |
TCXO |
14.2mm |
9.15mm |
3.1mm |
|
ABDFTCXO-19.200MHZ-L-2-T5 |
Abracon |
ABDFTCXO |
TCXO |
14.2mm |
9.15mm |
3.1mm |
|
ABDFTCXO-19.440MHZ-E-2-CT |
Abracon |
ABDFTCXO |
TCXO |
14.2mm |
9.15mm |
3.1mm |
|
ABDFTCXO-19.440MHZ-E-2-T2 |
Abracon |
ABDFTCXO |
TCXO |
14.2mm |
9.15mm |
3.1mm |
|
ABDFTCXO-19.440MHZ-E-2-T5 |
Abracon |
ABDFTCXO |
TCXO |
14.2mm |
9.15mm |
3.1mm |
|
ABDFTCXO-19.440MHZ-L-2-CT |
Abracon |
ABDFTCXO |
TCXO |
14.2mm |
9.15mm |
3.1mm |
|
ABDFTCXO-19.440MHZ-L-2-T2 |
Abracon |
ABDFTCXO |
TCXO |
14.2mm |
9.15mm |
3.1mm |
|
ABDFTCXO-19.440MHZ-L-2-T5 |
Abracon |
ABDFTCXO |
TCXO |
14.2mm |
9.15mm |
3.1mm |
|
ABDFTCXO-20.000MHZ-E-2-CT |
Abracon |
ABDFTCXO |
TCXO |
14.2mm |
9.15mm |
3.1mm |
|
ABDFTCXO-20.000MHZ-E-2-T2 |
Abracon |
ABDFTCXO |
TCXO |
14.2mm |
9.15mm |
3.1mm |
|
ABDFTCXO-20.000MHZ-E-2-T5 |
Abracon |
ABDFTCXO |
TCXO |
14.2mm |
9.15mm |
3.1mm |
|
ABDFTCXO-20.000MHZ-L-2-CT |
Abracon |
ABDFTCXO |
TCXO |
14.2mm |
9.15mm |
3.1mm |
|
ABDFTCXO-20.000MHZ-L-2-T2 |
Abracon |
ABDFTCXO |
TCXO |
14.2mm |
9.15mm |
3.1mm |
|
ABDFTCXO-20.000MHZ-L-2-T5 |
Abracon |
ABDFTCXO |
TCXO |
14.2mm |
9.15mm |
3.1mm |
|
ABDFTCXO-24.576MHZ-E-2-CT |
Abracon |
ABDFTCXO |
TCXO |
14.2mm |
9.15mm |
3.1mm |
|
ABDFTCXO-24.576MHZ-E-2-T2 |
Abracon |
ABDFTCXO |
TCXO |
14.2mm |
9.15mm |
3.1mm |
|
ABDFTCXO-24.576MHZ-E-2-T5 |
Abracon |
ABDFTCXO |
TCXO |
14.2mm |
9.15mm |
3.1mm |
|
ABDFTCXO-24.576MHZ-L-2-CT |
Abracon |
ABDFTCXO |
TCXO |
14.2mm |
9.15mm |
3.1mm |
|
ABDFTCXO-24.576MHZ-L-2-T2 |
Abracon |
ABDFTCXO |
TCXO |
14.2mm |
9.15mm |
3.1mm |
|
ABDFTCXO-24.576MHZ-L-2-T5 |
Abracon |
ABDFTCXO |
TCXO |
14.2mm |
9.15mm |
3.1mm |
|
ABDFTCXO-25.000MHZ-E-2-CT |
Abracon |
ABDFTCXO |
TCXO |
14.2mm |
9.15mm |
3.1mm |
|
ABDFTCXO-25.000MHZ-E-2-T2 |
Abracon |
ABDFTCXO |
TCXO |
14.2mm |
9.15mm |
3.1mm |
|
ABDFTCXO-25.000MHZ-E-2-T5 |
Abracon |
ABDFTCXO |
TCXO |
14.2mm |
9.15mm |
3.1mm |
|
ABDFTCXO-25.000MHZ-L-2-CT |
Abracon |
ABDFTCXO |
TCXO |
14.2mm |
9.15mm |
3.1mm |
|
ABDFTCXO-25.000MHZ-L-2-T2 |
Abracon |
ABDFTCXO |
TCXO |
14.2mm |
9.15mm |
3.1mm |
|
ABDFTCXO-25.000MHZ-L-2-T5 |
Abracon |
ABDFTCXO |
TCXO |
14.2mm |
9.15mm |
3.1mm |
|
ABDFTCXO-26.000MHZ-E-2-CT |
Abracon |
ABDFTCXO |
TCXO |
14.2mm |
9.15mm |
3.1mm |
|
ABDFTCXO-26.000MHZ-E-2-T2 |
Abracon |
ABDFTCXO |
TCXO |
14.2mm |
9.15mm |
3.1mm |
|
ABDFTCXO-26.000MHZ-E-2-T5 |
Abracon |
ABDFTCXO |
TCXO |
14.2mm |
9.15mm |
3.1mm |
|
ABDFTCXO-26.000MHZ-L-2-CT |
Abracon |
ABDFTCXO |
TCXO |
14.2mm |
9.15mm |
3.1mm |
|
ABDFTCXO-26.000MHZ-L-2-T2 |
Abracon |
ABDFTCXO |
TCXO |
14.2mm |
9.15mm |
3.1mm |
|
ABDFTCXO-26.000MHZ-L-2-T5 |
Abracon |
ABDFTCXO |
TCXO |
14.2mm |
9.15mm |
3.1mm |





日本KDS压控晶振,DSV753SV室外6G发射器晶振,1XVB046080VB压控晶振
进口大真空3225晶振,1XVD030240VA压控晶振,6G物联网终端DSV321SV晶振
进口GEYER晶振,无人机摄像模块晶振,12.88627环保无铅晶体
美国Skyworks晶振,领先同行的515CAA12M2880CAGR晶振,6G路由器晶振
XTL312125.000000I晶振,Renesas电子,遥遥领先的无人机晶振
JAUCH晶振,PECL晶振,O 66.66-JOE32-B-3.3-T1-LF,6G数据通讯晶振
Jauch品牌|O 12.8-JT33V-B-K-2.8-1.5-LF|3225晶振|6G基站晶振
NKG Crystal|SCO6|SCO6-8G-52M000-WTS|小体积振荡器
DSO221SXF,日本KDS晶振,CMOS输出晶振,2520贴片晶振,1XSF050000AR
1TC125JHNS002,KDS圆柱晶振,32.768KHz音叉晶振