Rubyquartz晶振,R38晶振,R38-32.768-6-10PPM-NPB晶振,插件石英圆柱晶振最适合用于比较低端的电子产品,比如儿童玩具,普通家用电器,即使在汽车电子领域中也能使产品高可靠性的使用.并且可用于安全控制装置的CPU时钟信号发生源部分,好比时钟单片机上的石英晶振,在极端严酷的环境条件下,晶振也能正常工作,具有稳定的起振特性,高耐热性,耐热循环性和耐振性等.
rubyquartz晶振中文名叫做卢柏晶振,为全球客户提供频率元件行业最成熟,最负盛名的研发团队之一的技术专业知识.规格处于市场需求前沿的产品在迈阿密,佛罗里达州设计。总部。佛罗里达州和中国的制造地点使公司能够满足客户优化总购置成本的需求,同时为所有产品系列提供足够的生产空间。所提供产品的质量是所有Rubyquartz员工和公司管理层关注的重点之一。
Rubyquartz晶振,R38晶振,R38-32.768-6-10PPM-NPB晶振,Rubyquartz通过其直销团队以及独立销售代表和分销商网络在全球范围内提供产品。客户服务和技术支持由佛罗里达州迈阿密提供。总部。广泛的石英晶振产品系列旨在满足电信,无线,工业,医疗,计算机,消费者和电子行业许多其他领域的客户的需求。

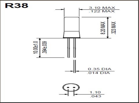
| HOLDER TYPE | R38 |
| NOMINAL FREQUENCY | 32.768 kHz |
| FREQUENCY TOLERANCE | ±5 PPM, ±10 PPM, AND ±20 PPM(STANDARD) |
| TURNOVER TEMPERATURE | 25° ± 5°C |
|
PARABOLIC CURVATURE CONSTANT † |
-0.034 PPM/ C² TYP |
| LOAD CAPACITANCE | 6 to 12.5 pF |
|
EQUIVALENT SERIES RESISTANCE |
35k OHM MAX |
| DRIVE LEVEL | 1.0 µw TYP |
| MOTIONAL CAPACITANCE | 0.0035 pF TYP |
| SHUNT CAPACITANCE | 1.6 pF TYP |
| CAPACITANCE RATIO | 460 TYP |
| AGING(FIRST YEAR MAX) | ±3 PPM |
| QUALITY FACTOR | 90000 TYP |
| INSULATION RESISTANCE | 500 M OHM MIN |
|
OPERATING TEMPERATURE RANGE |
-20°C TO +60°C STANDARD -40°C TO +85°C EXTENDED |
|
STORAGE TEMPERATURE RANGE |
-40°C TO +85°C |
| SHOCK RESISTANCE |
±5 PPM MAXIMUM 75 cm DROP TEST IN 3 AXES ONTO A HARD SURFACE OR 3000 g x 0.3 ms x ½ SINEWAVE IN 3 AXES |
| STANDARD PART NUMBER |
R38-32.768-12.5-NPB |
Rubyquartz晶振环保基本理念:
1.作为良好的企业市民,遵循本公司的行动方针,充分关心维护地球环境.遵守国内外的有关环保法规.
2.保护自然环境,充分关注自然生态等方面的环境保护,维持和保全生物多样性.
3.有效利用资源和能源,认识到资源和能源的有限性,努力进行有效利用.
4为构建循环型社会做出贡献,致力于石英贴片晶振原材料减少废弃物及废弃物的再利用核再生循环,努力构建循环型社会.
5.推进环保型业务,充分发挥综合实力,推进环保型业务,为减轻社会的环境负荷做出贡献.
6.建立环境管理系统,充分运用环境管理系统,设定环境目的和目标,定期修正,不断改善,努力预防环境污染.
Rubyquartz晶振,R38晶振,R38-32.768-6-10PPM-NPB晶振,Rubyquartz晶振完全符合ISO14001环境管理体系国际标准的要求,体现了一个适合、三个承诺和一个框架:
建造美丽家园——适合于我公司的生产活动、产品以及服务过程的性质.规模与环境影响;
持续改进——持续改进环境绩效和环境管理体系的承诺;
减少石英无源晶体材料污染,节能降耗——污染预防的承诺;
依法治理——遵守现行适用的环境法律、法规和其他要求的承诺;
“减少污染,节能降耗,建造美丽家园;依法治理,持续改进,净化一片蓝天”提供了建立和评审环境目标和指标的框架.




福克斯超小型表晶,FK121进口晶振,FK121EIWM0.032768-T5医疗器械晶振
FK125EIVM0.032768进口环保晶体,FOX医疗器械晶振,FK125高精度2520晶振
福克斯美国晶振,FK12AEIHI0.032768-T3电动牙刷晶振,FK12A小型音叉晶振
FOX高品质晶振,FK135时钟晶振,FK135EIHM0.032768-T3智能手表晶振
FOX智能手表晶振,FK13AEIBI0.032768-T3时钟晶振,FK13A高精度晶振
FK145EIHM0.032768-T3进口晶振,FOX高精度晶振,FK145电脑主板晶振
Q0.032768-SMQ32SL-12.5-10-T1,Jauch谐振器,8038尺寸晶振
ABS05-32.768KHZ-T,Abracon高品质晶振,1610小型音叉晶振