台湾晶技TXC晶振公司是一家领先的专业频率控制,温补晶振,石英晶体振荡器,石英晶体谐振器,石英晶体,石英晶振,有源晶振,压控振荡器等产品制造商致力于研究,设计,制造和销售双列直插封装(DIP)和表面贴装器件(SMD)石英晶体和振荡器产品.
台湾晶技TXC晶振公司目前专业从事这些类别的产品:晶体(32.768kHz,基本兆赫,高精度的兆赫,汽车级)
Oscillators(32.768kHz,CMOS硅MEMS,差分输出,看到汽车级),压控晶体振荡器(CMOS差分输出),TCXO(基础、GPS、精密),压控晶体振荡器(VCXO)、温补晶体振荡器(TCXO)、恒温晶体振荡器(OCXO)等.
台湾TXC晶体劳工职业安全卫生议题近年成为世界各国及企业关注焦如何做到‘降低职业灾害发生、确保工作场所安全、实施员工健康管理’一直是TXC晶体努力的方向,公司于2008年12月通过OHSAS18001职业安全卫生管理系统验证,提供劳工符合系统要求的安全卫生工作环境.
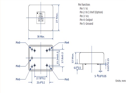
TXC晶振,恒温晶体振荡器,OC晶振,有源晶振,是指晶体本身起振需要外部电压供应,起振后可直接驱动CMOS 集成电路,产品本身已实现与薄型IC(TSSOP封装,TVSOP封装)同样的1mm厚度,断开时的消费电流是15 µA以下,编带包装方式可对应自动搭载及IR回流焊接(无铅对应)产品有几种电压供选1.8V,2.5V,3V3.3V,5V,以应对不同IC产品需要.
有源晶振频率越高一般价格越高.但频率越高,频差越大,从综合角度考虑,一般工程师会选用频率低但稳定的晶振,自己做倍频电路.总之石英晶振是根据需要去选择合适的频率,并不是晶振频率越大就越好.要看具体需求.比如基站中一般用10MHz的恒温晶振(OCXO),因其有很好的频率稳定性,属于高端晶振.至于范围,晶振的频率做的太高的话,就会失去意义,因为有其他更好的晶振频率产品代替.产品频率范围是:25kHz-1.3G,基本上所有应用中的晶振都可以在产品中找到.

在使用TXC晶振时应注意
根据特定的内部结构,支架的内部将晶体单元抽空或填充惰性气体以保持其结构特点.
1.超声波焊接机的使用
超声波焊接机的使用会导致降解超声共振引起的工作特性分析水晶碎片.
2.表面安装型晶体单元的安装
(1)严重的温度变化
在长时间和反复的严重温度变化下焊料可能会破裂;这是由于扩张造成的印刷线路板的温度系数不同材料和表面贴装型晶体陶瓷封装.如果预期会出现这种情况并避免此类问题.
(2)自动安装引起的冲击
请注意,在自动安装过程中,此类过程作为吸附,夹紧或安装到电路板上,可以对晶体单元施加太大的机械冲击,并且电气特性可能会改变或恶化.TXC晶振,恒温晶体振荡器,OC晶振
(3)弯曲PC板引起的应力
如果晶体单元焊接到PC板后,则电路板是弯曲,机械应力可能导致焊接部分剥离或晶体单元包装破裂.
(4)接地端子
如果晶体单元配有接地端子,请确保将其焊接到GND或电源端子.如果不是接地,可能无法获得正确的频率.


TXC晶振,恒温晶振,OB晶振,恒温晶体振荡器