Jauch晶振深入的技术咨询、高应用程序和认证技术、先进的测试环境、高可用性和快速交付的产品以及世界上最大的频率生成设备仓库.
自2003年以来,Jauch Quartz France一直是Jauch集团的组成部分.快速反应时间,一个有才华员工的小而灵活的团队,以及我们强大的客户中心使我们成为典型的Jauch公司.我们提供各种压电石英晶体元器件、压电石英晶体、有源晶体、石英晶振,有源晶振,压控振荡器产品,从Jauch的产品组合.电力供应、连接器和电缆、声学组件、键盘和变压器为我们提供了在法国市场上额外的销售和增长机会.
Jauch石英晶振集团位于villingen - schwenningen的总部的生产设施,以及时的方式满足世界各地的客户需求:MEMS振荡器在我们自己的生产设施中配置和交付,并注重及时.
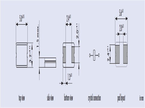
Jauch晶振,石英晶体谐振器,JXG53P2晶振,5032封装石英贴片晶振分为四个焊接脚和两个焊接脚,两个焊接脚的陶瓷面封装晶振归类于我们前面介绍晶振的文章中所说过的压电石英晶体谐振器。在不同环境下的多功能产品中具有高可靠性特点,不含铅汞符合欧盟要求的环保要求。5032两脚贴片晶振通过严格的频率分选,为编带盘装产品。贴片晶振相较于插件晶振能够应用于高速自动贴片机焊接,5032封装石英表贴式晶体谐振器小型设计,是笔记本、数码相机、智能手机、USB接口等智能设备优先选用的贴片晶振型号。
石英晶振真空退火技术:晶振高真空退火处理是消除贴片晶振在加工过程中产生的应力及轻微表面缺陷.在PLC控制程序中输入已设计好的温度曲线,使真空室温度跟随设定曲线对晶体组件进行退火,石英晶振通过合理的真空退火技术可提高晶振主要参数的稳定性,以及提高石英晶振的年老化特性.
|
单位 |
JXG53P2晶振频率范围 |
石英晶振基本条件 |
|
|
标准频率 |
f_nom |
8MHZ~50MHZ |
标准频率 |
|
储存温度 |
T_stg |
-40°C ~ +125°C |
裸存 |
|
工作温度 |
T_use |
-40°C ~ +125°C |
标准温度 |
|
激励功率 |
DL |
200μW Max. |
推荐:1μW ~ 100μW |
|
频率公差 |
f_— l |
±50 × 10-6(标准), |
+25°C 对于超出标准的规格说明, |
|
频率温度特征 |
f_tem |
±30 × 10-6/-20°C ~ +70°C |
超出标准的规格请联系我们. |
|
负载电容 |
CL |
8pF ,10PF,12PF,20PF |
不同负载电容要求,请联系我们. |
|
串联电阻(ESR) |
R1 |
如下表所示 |
-40°C — +85°C,DL = 100μW |
|
频率老化 |
f_age |
±5 × 10-6/ year Max. |
+25°C,第一年 |
在使用JAUCH晶振时应该注意以下事项:
以下是设计振荡回路
产品设计人员在设计振荡回路的注意事项
1. 驱动能力
驱动能力说明石英晶体振荡器所需电功率,其计算公式如下:
驱动能力 (P) = i2?Re
其中i表示经过晶体单元的电流,
Re表示石英晶振的有效电阻,而且 Re=R1(1+Co/CL)2.
2. 振荡补偿
除非在振荡电路中提供足够的负极电阻,否则会增加振荡启动时间,或不发生振荡.为避免该情况发生,请在电路设计时提供足够的负极电阻.Jauch晶振,石英晶体谐振器,JXG53P2晶振
3. 负载电容
如果振荡电路中晶振的负载电容不同,可能导致振荡频率与设计频率之间产生偏差,如下图所示.电路中的负载电容的近似表达式 CL≒CG × CD / (CG+CD) + CS.
其中CS表示电路的杂散电容.



NDK晶振,石英晶振,NX5032GA晶振,NX5032GB晶振,NX5032GA-24.000000MHZ-LN-CD-1晶振
ACT晶振,TWC913晶振,SAC00003GIHD-PF-32.768KHz晶振
KDS钟表电子晶振,DST1610A石英晶体谐振器,1TJH125DR1A0004智能手机晶振
大真空计时产品,DST310S两脚贴片晶振,TJF080DP1AA003无源晶振
KDS无源晶振DST210A,1TJG090DR1A0013钟表电子晶振
KDS晶体谐振器DSX840GA,1CX40000EE1O数字影音设备
SEIKO精工32.768K晶振SC-32S,Q-SC32S03210C5AAAF石英晶体谐振器
IL3X2-HX5F6-32.768KHz,ILSI钟表电子晶振,3215mm,测量应用晶振
SWS11212D48-32.768K,1610mm手表晶体,SUNTSU超小型晶振